Contact Us

service hotline:
+86-0755-28686964
Faxt:+86-0755-89360249
Phone:+86-13632591249
Contact:Miss Zhang
QQ:1361048151
Skype: rebecca11218
Email:1361048151@qq.com
Address:Floor 6, Building C, Pingdi long er Industrial Park, Longgang District, ShenZhen, Guangdong province, China

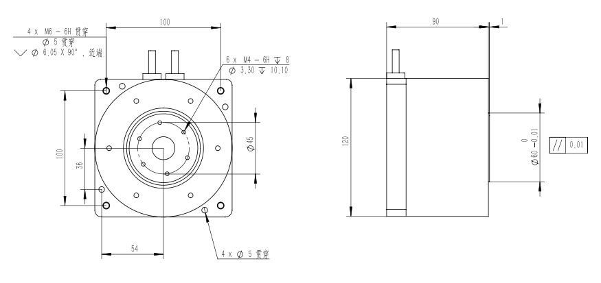
ZRDDR-12090-8-500-DMC-Square flange

image.png

image.png